Analog Devices Inc. LTC2353, LTC2357, LTC2358, LTC2333 16/18 bit ADCs
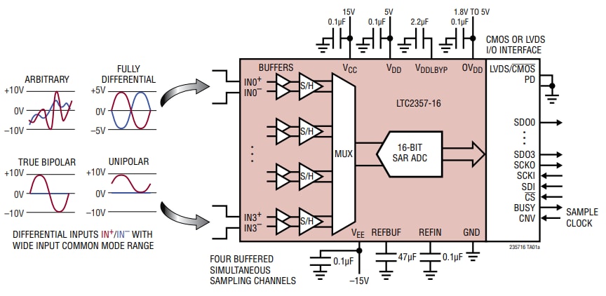
Analog Devices Inc. LTC235x 16- and 18-bit ADCs are low noise 2-, 4- and 8-channel simultaneous sampling successive approximation register (SAR) ADCs. The devices feature buffered differential, and wide common mode range picoamp inputs. The ADCs operate from a 5V low voltage supply, flexible high voltage supplies, and use the internal reference and buffer. Each channel of this SoftSpan™ ADC can be independently configured on a conversion-by-conversion basis to accept ±10.24V, 0V to 10.24V, ±5.12V, or 0V to 5.12V signals. Individual channels may also be disabled to increase throughput on the remaining channels.Features
- Fully-buffered, (>1000 GΩ) multichannel SAR ADC family
- Simultaneous sampling of 8/4/2 channels at 200/350/550 kSPS per channel throughput (LTC2358/LTC2357/LTC2353)
- 8-channel multiplexed sampling at a 800kSPS throughput (LTC2333)
- 500pA/12nA max input leakage at 85°C/125°C
- ±3.5 LSB INL (max, 18-bit)/±1LSB INL (max, 16-bit)
- 96.4 dB SNR (typ,18-bit)/94.2 dB SNR (typ, 16-bit)
- True bipolar per-channel SoftSpan input ranges up to ±12.5V
- Wide, 30 VP-P input common-mode range with 128dB CMRR
- Wide 6MHz, –3dB input bandwidth
- Pin selectable CMOS (1.8V to 5V) or LVDS serial interface
- Pin- and software-compatible family in 7×7mm LQFP-48
Applications
- Programmable logic controllers
- Industrial process control
- Power line monitoring
- Test and measurement
Videos
Publicado: 2018-04-10
| Actualizado: 2025-02-03
