Analog Devices / Maxim Integrated MAX38800 & MAX38801 Switching Regulators
Analog Devices MAX38800 and MAX38801 Switching Regulators are highly efficient devices for applications operating from 6.5V to 14V input supplies that require up to a 9A (MAX38800) or 15A (MAX38801) maximum load. The Analog Devices MAX38800 and MAX38801 are single-chip solutions that deliver high-efficiency power for precision outputs that demand a fast transient response. The regulators have various options to enable a wide range of configurations.Features
- High-efficiency solution
- Up to 96% peak
- Up to 95.5% full load
- Up to 94% light-load efficiency at 1A with DCM enabled
- A flexible design allows early PCB definition
- Footprint compatible with MAX38801 (15A) and MAX38802/MAX38803 (25A)
- Programmable switching frequency up to 1MHz
- Programmable soft-start and STAT delay timings
- Programmable reference voltage with an external input option
- Programmable positive and negative OCP limit
- Advanced architecture, protection, and reporting guarantees reliable designs
- Supports current sourcing and sinking
- Analog current or temperature reporting
- Differential remote sense with open-circuit detection
- Fast transient response with Quick-PWM™ architecture
- Percentage-based output Power Good and OVP
- Open-Drain Status Indicator (STAT) pin
- Input undervoltage and overvoltage lockout
- Adaptive dead-time control
- Saves board space
- Integrated boost switch
- 19-bump WLCSP (2.2mm x 2.8mm) footprint
- Operation using ceramic input and output capacitors
Applications
- Servers/μservers
- I/O and chipset supplies
- GPU core supply
- DDR memory: VDDQ, VPP, and VTT
- Point-of-Load (PoL) applications
Additional Resources
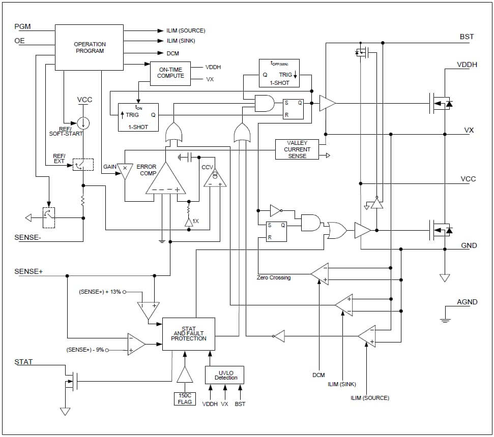
MAX38800 Block Diagram
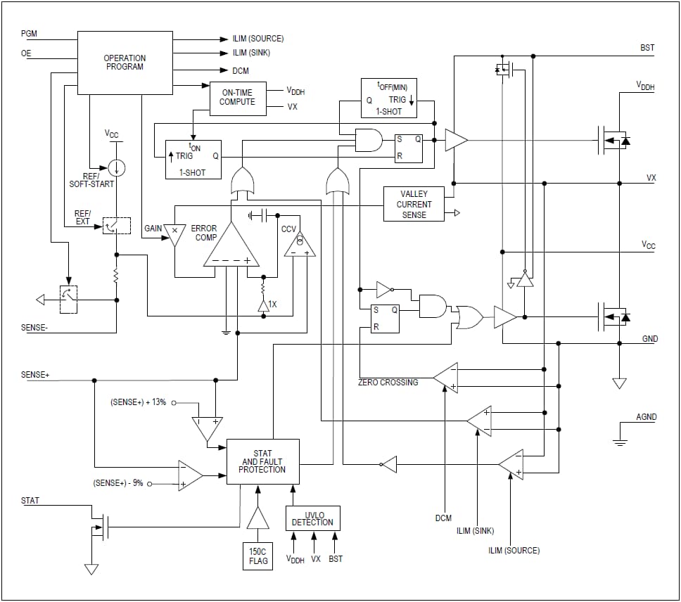
MAX38801 Block Diagram
Publicado: 2018-01-30
| Actualizado: 2023-04-11
