STMicroelectronics EVALSTGAP2HSCM Gate Driver Demonstration Board
STMicroelectronics EVALSTGAP2HSCM Gate Driver Demonstration Board allows evaluation of all the STGAP2HSCM features while driving a half-bridge power stage with a voltage rating up to 1200V in TO-220 or TO-247 package. The gate driver is characterized by 4A current capability and rail-to-rail outputs. This feature also makes the gate driver suitable for high-power inverter applications such as motor drivers in industrial applications equipped with MOSFET / IGBT power switches. The configuration features a single output pin and Miller CLAMP function, which allows for avoiding gate spikes during fast commutations in half-bridge topologies.The device integrates protection functions, such as UVLO and thermal shutdown, are included to easily design high-reliability systems. Dual input pins allow choosing the control signal polarity and also implementing HW interlocking protection to avoid cross-conduction in case of controller's malfunction. The device allows implementing negative gate driving, and the onboard isolated DC-DC converters allow working with optimized driving voltage for MOSFET/IGBT. The STMicroelectronics EVALSTGAP2HSCM allows for easy selecting and modifying the values of relevant external components to ease driver performance evaluation under different applicative conditions and fine pre-tuning of the final application’s components.
Features
- Board
- High voltage rail up to 1200V
- Negative gate driving
- Onboard isolated DC-DC converters to supply high-side and low-side gate drivers, fed by VAUX = 5V, with 5.2kV maximum isolation
- 3.3V VDD logic supply generated onboard or 5V (externally applied)
- Easy jumper selection of driving voltage configuration: +15/0V, +15/-3V, +19/0V, or +19/-3V
- Device
- 4A source/sink driver current capability at +25°C
- 6000V galvanic isolation
- 75ns short propagation delay
- UVLO function
- Gate driving voltage up to 26V
- 3.3V, 5V TTL/CMOS inputs with hysteresis
- Temperature shutdown protection
- Standby function
- 4A Miller CLAMP
Applications
- Motor drivers
- Home appliances
- Factory automation
- Industrial drives
- Fans
- 600/1200V inverters
- Battery chargers
- Induction heating
- Welding
- UPS
- Power supply units
- DC-DC converters
- Power factor correction
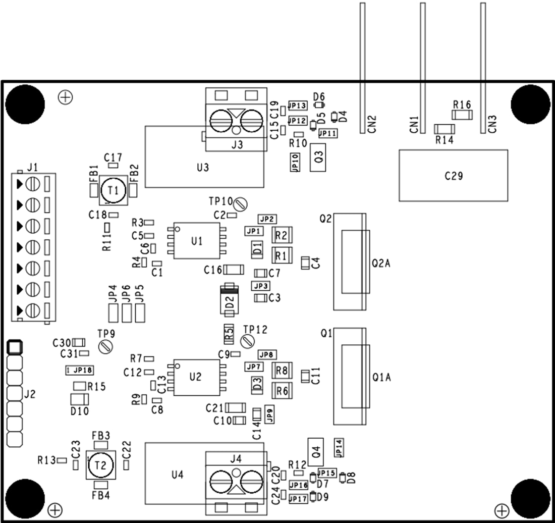
Board Layout
